| FORUM

FEDEVEL
Platform forum

USE DISCOUNT CODE
EXPERT30
TO SAVE $30 USD

BQ24072RGT ILIM and ISET Resistors

rizu13 , 11-11-2025, 10:36 AM
Hello, was wondering I could away with the replacing them with closest basic resistor value (for PCBA) since it mentioned "select closest standard value". Would it be too far say 1.5k Ohm resistor? Like 0402WGF1501TCE (lcsc: C25867)?

I really want to lower cost by lessening my extended passives
QDrives , 11-11-2025, 09:08 PM
Lower your cost... Picking a resistor in the E96 or even the E192 range is no more expensive than selecting one from the E12 range.
Naturally there are more choices in E24 than E96.

The only thing that can drive up the cost is if you pick many specific parts or more problematic copy and paste without thinking.
So mixing 0402 and 0603, using 5% and 1%, etc.
Just using a 1.18kΩ resistor and optionally using it multiple times in your design (i.e. replacing all 1kΩ with it) will not drive up cost.

As for the question of getting away: you can calculate what the limit will be with your selected value.
Robert Feranec , 11-12-2025, 05:17 AM
as @QDrives said: "As for the question of getting away: you can calculate what the limit will be with your selected value." ... exactly, for this kind of feature to have the real value extremely close to the calculated is not so critical unless you really have to be very strict with the exact current limiting value.
QDrives , 11-12-2025, 04:18 PM
Not to mention the tolerances...
rizu13 , 11-13-2025, 02:28 AM
I see would it be alright if I send here the schematic for battery charger? To get a check
rizu13 , 11-13-2025, 02:28 AM
I'm not sure how to calculate things accurately
QDrives , 11-13-2025, 10:40 PM
You can post it here, but it is just simple math.
rizu13 , 11-14-2025, 08:08 AM
rizu13 , 11-14-2025, 08:08 AM
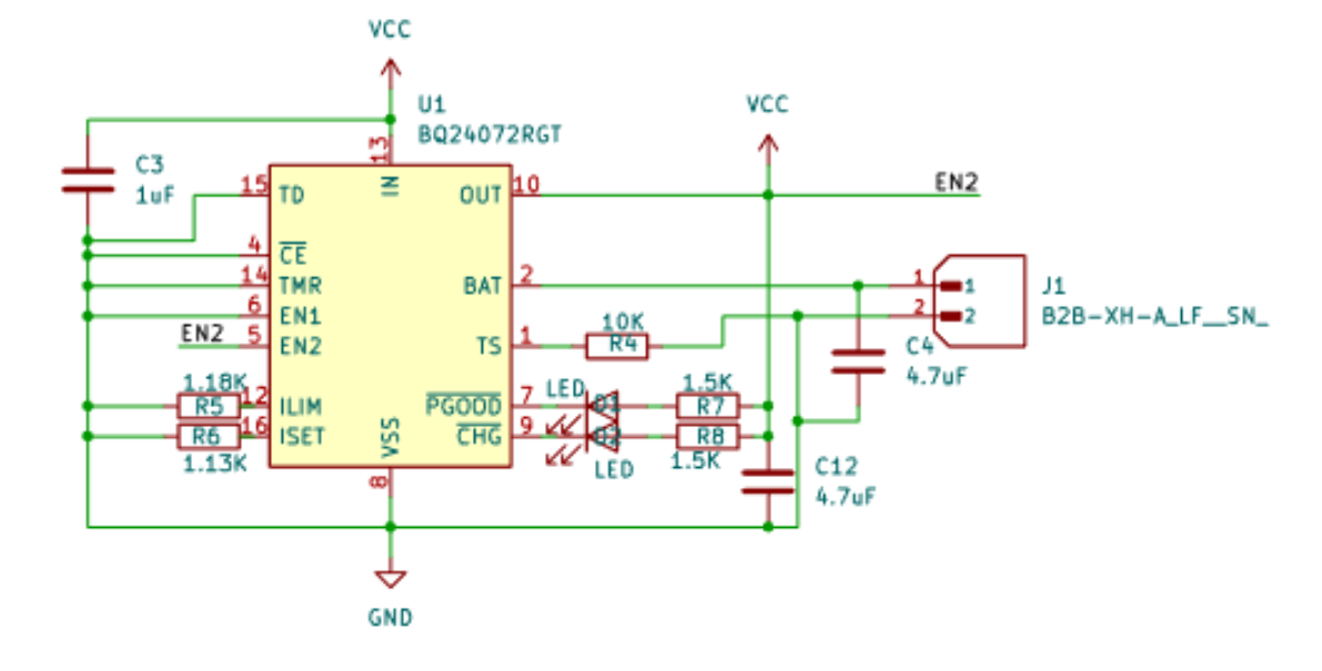
here it is
rizu13 , 11-14-2025, 08:08 AM
is it also ok if you can verify my buck-boost?
rizu13 , 11-14-2025, 08:09 AM
I did my calculations but not sure if this is right either
QDrives , 11-14-2025, 01:24 PM
Your in and out are both connected to Vcc.
rizu13 , 11-15-2025, 06:50 AM
oh wait so..I don't connect in to gnd?
rizu13 , 11-15-2025, 06:50 AM
Or I connect it separately
Mini , 11-15-2025, 03:44 PM
Your input and output are connected together(VCC). How is this schematic going to work in your opinion? Look reference schematic.
Mini , 11-15-2025, 03:46 PM
Also draw schematic more clearly. Like C12 is supposed to be output cap. Put it close to output not to the bottom like you have done here.
Mini , 11-15-2025, 03:48 PM
It is not buck-boost. It is linear charger. Notice there are no coils.
rizu13 , 11-16-2025, 05:38 AM
No I am asking if anyone can verify my buck-boost, I haven't sent it yet
rizu13 , 11-16-2025, 05:38 AM
Ohh ok thank you
rizu13 , 11-16-2025, 05:39 AM
I only copied this schematic from a GitHub repo that did what I wanted to achieve
Mini , 11-16-2025, 03:01 PM
Don't trust everything on the internet. You should always read datasheet. I see what they did here, but it is wrong. This IC is with so called "power path". You can read it from the datasheet. They are bypassing it with this schematic. Not sure how this one would work. I would not do that for sure. Look reference designs. If you don't want the "power path" function then just choose another charging IC which doesn't have it.
rizu13 , 11-16-2025, 03:08 PM
I see, thank you for your feedback! I'll work on it using the datasheet
Use our interactive Discord forum to reply or ask new questions.
Discord invite
Discord forum link (after invitation)

Didn't find what you were looking for?